Пн - Пт 08:30 - 17:30
Рассчитать проектЛенинградский пр., д. 33
Пн - Пт 08:30 - 17:30
консультация инженера
Мы предоставляем услуги проектирования систем отопления для объектов любого назначения и технической сложности. Необходимые проектные работы выполняются быстро, профессионально и по разумной цене. Преимуществом обращения к нам становится возможность заключения договора на монтаж систем теплоснабжения, а также осуществление авторского надзора при приглашении стороннего подрядчика.
Эффективная работа системы теплоснабжения выступает обязательным условием комфортного проживания или пребывания на объекте. Ее обеспечение невозможно без профессионального подхода к проектированию отопления здания. Разработка качественного проекта позволяет решить несколько критически важных задач, включая:
Стоимость разработки проекта системы теплоснабжения частного или многоквартирного дома, промышленного предприятия или коммерческого объекта определяется индивидуально. Итоговая цена базируется на учете сложности поставленной заказчиком задачи и типовых расценках на основные виды проектных работ.
На данный момент в Ярославле мы работаем только с крупными инженерными объектами: коммерческие, промышленные, производственные помещения и частные дома от 400 кв. м.
Наша компания практикует простую и эффективную схему взаимодействия с заказчиком. Она включает несколько последовательно реализуемых этапов сотрудничества:
Уточнение задачи и сбор необходимой информации для определения стоимости проекта теплоснабжения.
Формируем ТЗ с учетом всех деталей и согласовываем с заказчиком.
Расчет и согласование условий предоставления услуги с последующим заключением договора.
Непосредственная разработка проектной документации на систему отопления.
Согласование проекта с контролирующими и заинтересованными организациями.
Клиент получает подробный проект для дальнейшего монтажа отопительной системы на своем объекте.
Разработка проектов систем отопления входит в число основных видов деятельности нашей компании. Уровень профессиональной подготовки наших специалистов позволяет успешно решать сложные технические и инженерные вопросы для самых разных по назначению объектов:






Грамотное и точное проектирование системы теплоснабжения здания предусматривает обязательное проведение нескольких базовых расчетов. К ним относятся:
Проектирование систем теплоснабжения базируется не только на расчетных данных, но и на большом объеме исходной технической информации. Последний включает различные сведения об объекте и проектируемом отоплении, которые содержатся в следующей документации:
Отдельного упоминания заслуживает необходимость проектирования дымохода. Отведение продуктов горения выступает важным и обязательным требованием к практически любой системы отопления.
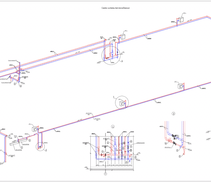
Содержание проектной документации определяется в соответствии с актуальными требованиями СНиПов и ГОСТов. Типовой проект теплоснабжения включает:
Для получения индивидуального коммерческого предложения на проектирование системы отопления свяжитесь с нами любым удобным способом.
Стоимость проектирования теплоснабжения здания определяется индивидуально на основании нескольких параметров: характеристики объекта, требования к обогреву и т.д.
Длительность проектирования зависит от масштабов и сложности задачи. На разработку проекта отопления частного дома обычно требуется не больше 2-3 недель.
Самым популярным вариантом теплоснабжения остается водяное. Два альтернативных – воздушное и паровое – применяются заметно реже.



Свяжитесь с нами
Оставьте заявку и мы перезвоним в течение 15 минут